Akuvox E12W Interfon inalambrico con cámara


video interfon inalambrico Akuvox E12W

Videoportero Akuvox

  • DOORBELL
  • WIFI / 100% en la Nube
  • POE / Bluetooth / NFC
  • Lector de Tarjetas MIFARE / Notificación en APP
  • IP65 / Cámara 2 MP / Botón con Iluminación / Control de 1 Puerta

Precio mxn $ 2699 *

* No incluye IVA.

Ficha tecnica o brochure Akuvox E12W

Video portero wifi




SOPORTA CONEXIÓN DE MÚLTIPLES
MONITORES SE SUGIERE CONEXIÓN
A TRAVÉS DE SWITCH POE

 

videoportero hikvision conectado a varios monitores



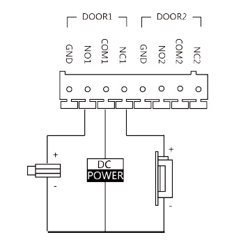
video interfon videoportero control de contrachapa




APERTURA DE PUERTA
DESDE EL INTERFON

Puede activar una contrachapa electromagnética
con solo oprimir un botón en la pantalla touch

CONEXIONES EN EL REVERSO DEL MONITOR

Conexiones atrás del monitor

Hikvision interfon para video interfon videoportero

click en la imagen para agrandar


vistas frente de calel zkteco

Click para agrandar

PARTES DEL VIDEOPORTERO

Contenido de la caja del kit de videportero IP Lite

Como conectar frente de calle al monitor Akuvox E12W

Imagen del interfon Como conectar

conexion Akuvox E12W

Cómo hacer conexión de frente de calle al monitor del videoportero ezviz

Configuracion app EZVIZ